
Basement Corner
The state of the basement before our foreman went to work.

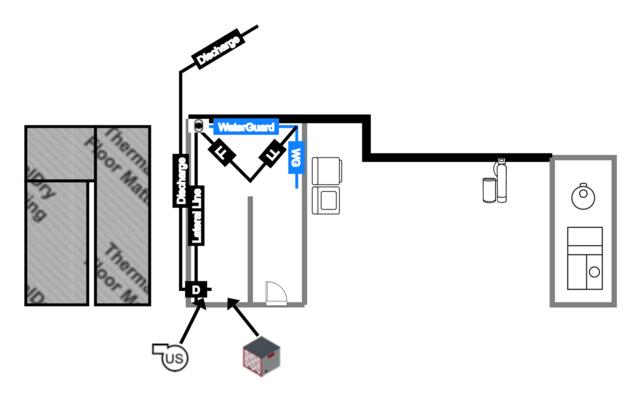
Basement Blueprints
The foreman makes blueprints of the basement to create a visual of what areas are the most damaged and need to be fixed as soon as possible.

Basement Repair
Our foreman begins to drill into the basement floor to install a waterguard.

Waterguard
After waterguard is installed, cement is placed over it.

SumpPump
A SumpPump is installed after the waterguard to help drain the water out of the basement.