
Foundation Cracks
The state of the house before our foreman began to work.

Cracks in the Walls
Cracks in the walls were noted by both the foreman and the customer.

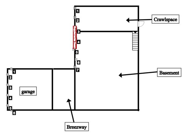
Foundation Blueprints
Blueprints are created to create a visual and decide which areas need the most repair.

Helical Pier Installation
The helical pier installation process begins.

Helical Piers
The helical pier installation is complete.